Benlida provides PCB design solutions(Schematic, Gerber files and BOM), ID and MD development for printed circuit boards (PCBs), includes metal&plastic parts and wire harnesses. With a strong hardware design team, Benlida offers comprehensive turnkey services at competitive prices and with quick delivery.
Solution services includes:
鈼 Design
鈼 Schematic drawing, PCB fabrication files outputs(Gerber files) and BOM
鈼 Mold tooling, wire harness design, and other accessories, design, customization and procurement
鈼 Thermal simulation, power simulation
鈼 Power integrity and signal integrity analysis
鈼 PCB manufacturing and assembly
鈼 Hardware&software debugging and testing
From schematic design and PCB layout to testing, verification, and certification, we take care of the entire PCB proceeding:
Project Management and Requirements Analysis:
The project team discusses technical requirements, development process, deliverables, preliminary cost and delivery time estimates, according to customers' requirements, appoint a project manager/product manager, electronic engineers and supporting personnel.
Schematic Design:
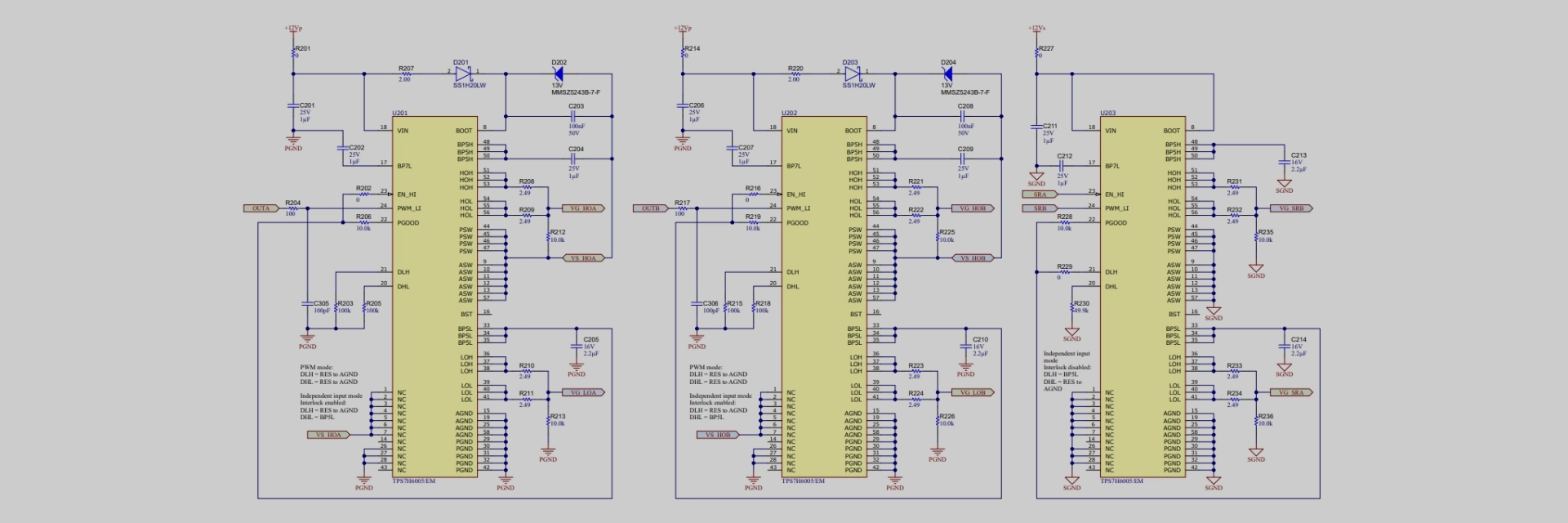
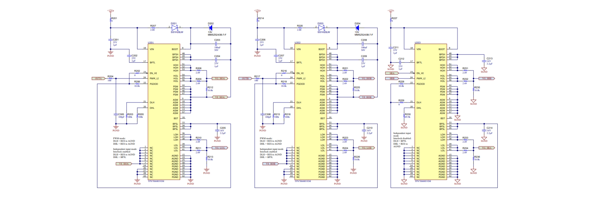
Once the team and direction are settled, the project starts by schematic design.

PCB Layout:
After the schematic is completed, component routing comes: determining the required number of layers and dimensions, while analyzing signal integrity and assessing electrical limitations to ensure architectural safety. For complex layouts, we will use various simulation tools and DFM/DFA analyses to minimize design modifications, reduce development costs and shorten delivery time.

PCB Prototyping and Testing:
After the PCB design is completed, manufacturing files (Gerber files and BOM) will be output and the prototyping begins: manufacturing the PCB/printed circuit board, procuring components, then go for PCB assembly, and conducting functional testing and other tests such as aging/lifespan tests according to customer requirements.

Prototypes Delivery:
Send the prototyping samples to customers for further test, verification and approval.
Technical Support, After-sales Service:
Once get comfirmation and approval from customers, we create a complete data folder, including schematics, BOM and Gerber files, 3D models, PCB manufacturing process requirements, etc.
After-sales service includesL bug fixing and providing additional technical support.